产品系列 |
|
 |
产品搜索 |
|
 |
|
單相RK可逆式馬達
|
單相RK型可逆式馬達 |
|
|
|
規格: |
|
馬力:6W~90W 電壓:100V~110V 200V~220V
| | |
RK型30分定格馬達特性表
|
馬達型號 |
出力 W |
周波數 Hz |
電壓 V |
電流 A |
起動轉矩 gcm |
定格 |
起動電容 |
齒輪型號 |
|
圓柱形 出力軸 |
小齒切 出力軸 |
轉矩 gcm |
回轉數 rpm |
容量 μF |
耐電壓 WV |
培林 軸承 |
含油軸承與 培林共用型 |
中間 齒輪 |
|
2RK6A-A |
2RK6GN-A |
6 |
50 60 |
100 110 |
0.3 |
500 450 |
500 400 |
1200 1550 |
3 |
250 |
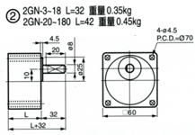
2GN□ K |
2GN□ |
2GN10X |
|
2RK6A-C |
2RK6GN-C |
6 |
50 60 |
200 220 |
0.15 |
500 450 |
500 400 |
1200 1500 |
1.0 |
400 |
|
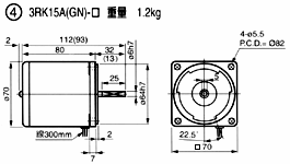
3RK15A-A |
3RK15GN-A |
15 |
50 60 |
100 110 |
0.45 |
900 800 |
1250 1000 |
1250 1500 |
6.0 |
250 |
3GN□ K |
3GN□ |
3GN10X |
|
3RK15A-C |
3RK15GN-C |
15 |
50 60 |
200 220 |
0.22 |
900 800 |
1200 1000 |
1200 1500 |
1.5 |
400 |
|
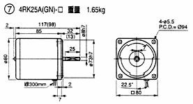
4RK25A-A |
4RK25GN-A |
25 |
50 60 |
100 110 |
0.70 |
1600 1400 |
2000 1700 |
1250 1500 |
8.0 |
250 |
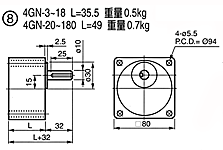
4GN□ K |
4GN□ |
4GN10X |
|
4RK25A-C |
4RK25GN-C |
25 |
50 60 |
200 220 |
0.35 |
1600 1400 |
2000 1600 |
1250 1550 |
2.0 |
400 |
|
5RK40A-A |
5RK40GN-A |
40 |
50 60 |
100 110 |
1.0 |
3000 2600 |
3000 2600 |
1300 1550 |
12.0 |
250 |
5GN□ K |
5GN□ |
5GN10X |
|
5RK40A-C |
5RK40GN-C |
40 |
50 60 |
200 220 |
0.5 |
3000 2600 |
3000 2600 |
1300 1550 |
3.0 |
400 |
|
5RK60A-A |
5RK40GU/GN-A |
60 |
50 60 |
100 110 |
1.9 |
4700 3800 |
4700 3800 |
1250 1550 |
16.0 |
250 |
5GN□ K 5GU□ K 5GU□ KB |
5GN□ |
5GN10X 5GU10XK |
|
5RK60A-C |
5RK40GU/GN-C |
60 |
50 60 |
200 220 |
0.75 |
4700 3800 |
4700 3800 |
1250 1550 |
4.0 |
400 |
|
5RK90A-A |
5RK40GU/GN-A |
90 |
50 60 |
100 110 |
2.1 |
6300 5900 |
7300 5900 |
1200 1550 |
25.0 |
250 |
5GU□ K 5GU□ KB |
|
5GU10XK |
|
5RK90A-C |
5RK40GU/GN-C |
90 |
50 60 |
200 220 |
1.1 |
6300 5900 |
7300 5900 |
1200 1550 |
6.0 |
400 | | |
扭矩表
|
輸出回轉數rpm |
500 |
300 |
200 |
120 |
100 |
60 |
50 |
30 |
20 |
15 |
10 |
6 |
5 |
3 |
2 |
1.5 |
1 |
|
50Hz 減速比 60Hz 減速比 |
3 |
5 6 |
7.5 9 |
12.5 15 |
15 18 |
25 30 |
30 36 |
50 60 |
75 90 |
100 120 |
150 180 |
250 300 |
300 360 |
500 600 |
750 900 |
1000 1200 |
1500 1800 |
|
6W |
1.0 |
1.6 |
2.5 |
4.1 |
5 |
8.1 |
9.7 |
16 |
23 |
25 |
25 |
25 |
25 |
25 |
25 |
25 |
25 |
|
15W |
2.4 |
4.0 |
6.0 |
10 |
12 |
19 |
23 |
39 |
50 |
50 |
50 |
50 |
50 |
50 |
50 |
50 |
50 |
|
25W |
4 |
6.7 |
10 |
16 |
20 |
32 |
39 |
65 |
80 |
80 |
80 |
80 |
80 |
80 |
80 |
80 |
80 |
|
40W |
6.7 |
11 |
16 |
28 |
33 |
54 |
65 |
100 |
100 |
100 |
100 |
100 |
100 |
100 |
100 |
100 |
100 | | |
結線圖
 | | |
單相RK型可逆式馬達 |
|
|
|
|
|
|
|
|
|
|
|
|
|
|
|
|
|
|
|
|
鍵尺寸
| |
|
|