产品系列 |
|
 |
产品搜索 |
|
 |
|
單相IK感應式馬達 / 三相IK感應式馬達
| 特長: |
* 額定運轉為連續運轉 * 採用E級絕緣 * 單相馬達使用電容器式感應馬達,故高功率、低噪音。 * 三相馬達使用三相電源200V…..的感應馬達。 |
|
單相IK型感應馬達 |
|
|
|
規格: |
|
馬力:6W~90W 電壓:100V~110V 200V~220V
| | |
IK型連續運轉馬達特性表
|
馬達型號 |
出 力 W |
周波 數Hz |
電 壓 V |
電 流 A |
起動 轉矩 gcm |
定格 |
起動電容 |
齒輪型號 |
|
圓柱形 出力軸 |
小齒切 出力軸 |
轉矩 gcm |
回轉數 rpm |
容量 µF |
耐電壓 WV |
培林 軸承 |
含油軸承與培林共用型 |
中間 齒輪 |
|
2IK6A-A |
2IK6GN-A |
6 |
50 60 |
100 110 |
0.25 |
420 |
420 |
1200 1450 |
2.5 |
250 |
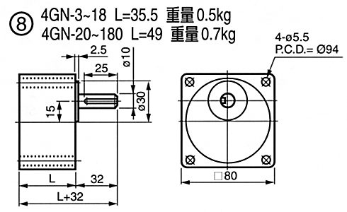
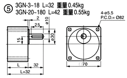
2GN□K |
2GN□ |
2GN10X |
|
2IK6A-C |
2IK6GN-C |
6 |
50 60 |
200 220 |
0.13 |
420 |
420 |
1200 1450 |
0.8 |
400 |
|
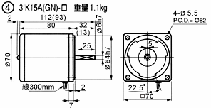
3IK15A-A |
3IK15GN-A |
15 |
50 60 |
100 110 |
0.35 |
800 |
1100 |
1250 1550 |
4.0 |
250 |
3GN□K |
3GN□ |
3GN10X |
|
3IK15A-C |
3IK15GN-C |
15 |
50 60 |
200 220 |
0.18 |
800 |
1100 |
1250 1550 |
1 |
400 |
|
4IK25A-A |
4IK25GN-A |
25 |
50 60 |
100 110 |
0.6 |
1300 |
1800 |
1250 1550 |
6.0 |
250 |
4GN□K |
4GN□ |
4GN10X |
|
4IK25A-C |
4IK25GN-C |
25 |
50 60 |
200 220 |
0.3 |
1300 |
1800 |
1250 1550 |
1.5 |
400 |
|
5IK40A-A |
5IK40GN-A |
40 |
50 60 |
100 110 |
0.8 |
2300 |
3200 |
1300 1550 |
10.0 |
250 |
5GN□K |
5GN□ |
5GN10X |
|
5IK40A-C |
5IK40GN-C |
40 |
50 60 |
200 220 |
0.4 |
2300 |
3200 |
1300 1550 |
2.5 |
400 |
|
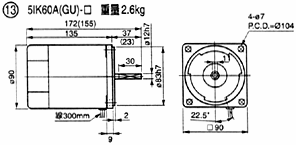
5IK60A-A |
5IK60GU/GN-A |
60 |
50 60 |
100 110 |
1.4 |
3300 |
4500 |
1300 1550 |
14.0 |
250 |
5GU□K
|
|
|
|
5IK60A-C |
5IK60GU/GN-C |
60 |
50 60 |
200 220 |
0.7 |
3300 |
4500 |
1300 1550 |
3.5 |
400 |
|
5IK90A-A |
5IK90GU-A |
90 |
50 60 |
100 110 |
2.0 |
5200 |
6500 |
1300 1550 |
20.0 |
250 |
5GU□KB |
|
5GU10XK |
|
5IK90A-C |
5IK90GU-C |
90 |
50 60 |
200 220 |
1.0 |
5200 |
6500 |
1300 1550 |
5.0 |
400 | | |
扭矩表
|
輸出回轉數rpm |
500 |
300 |
200 |
120 |
100 |
60 |
50 |
30 |
20 |
15 |
10 |
6 |
5 |
3 |
2 |
1.5 |
1 |
|
50Hz減速比 60Hz減速比 |
3 |
5 6 |
7.5 9 |
12.5 15 |
15 18 |
25 30 |
30 36 |
50 60 |
75 90 |
100 120 |
150 180 |
250 300 |
300 360 |
500 600 |
750 900 |
1000 1200 |
1500 1800 |
|
6W |
1.0 |
1.6 |
2.5 |
4.1 |
5 |
8.1 |
9.7 |
16 |
23 |
25 |
25 |
25 |
25 |
25 |
25 |
25 |
25 |
|
15W |
2.4 |
4.0 |
6.0 |
10 |
12 |
19 |
23 |
39 |
50 |
50 |
50 |
50 |
50 |
50 |
50 |
50 |
50 |
|
25W |
4 |
6.7 |
10 |
16 |
20 |
32 |
39 |
65 |
80 |
80 |
80 |
80 |
80 |
80 |
80 |
80 |
80 |
|
40W |
6.7 |
11 |
16 |
28 |
33 |
54 |
65 |
100 |
100 |
100 |
100 |
100 |
100 |
100 |
100 |
100 |
100 |
|
60W |
10 |
16 |
24 |
40 |
48 |
77 |
93 |
155 |
200 |
200 |
200 |
200 |
200 |
200 |
200 |
200 |
200 |
|
90W |
14 |
23 |
35 |
58 |
69 |
110 |
133 |
200 |
200 |
200 |
200 |
200 |
200 |
200 |
200 |
200 |
200 | | |
結線圖
 | |
|
三相IK型感應馬達 |
|
|
|
規格: |
|
馬力:25W~90W 電壓:200V.220V 380V.440V
| | |
IK型連續運轉馬達特性表
|
馬達型號 |
出力 W |
周波數 Hz |
電壓 V |
電流 A |
起動 轉矩 gcm |
定格 |
齒輪型號 |
|
圓柱形出力軸 |
小齒切出力軸 |
轉矩 gcm |
回轉數 rpm |
培林 軸承 |
含油軸承與 培林共用型 |
中間 齒輪 |
| 4lK25A-S2 |
4lK25GN-S2 |
25 |
50 60 |
200 220 |
0.25 |
2400 1600 |
1900 1600 |
1300 1550 |
4GN□ K |
4GN□ |
4GN10X |
| 4lK25A-S3/S4 |
4lK25GN-S3/S4 |
25 |
50 60 |
380 400 |
0.16 |
2400 1600 |
1900 1600 |
1300 1500 |
| 5lK40A-S2 |
5lK40GN-S2 |
40 |
50 60 |
200 220 |
0.4 |
3000 2600 |
3000 2600 |
1300 1550 |
5GN□ K |
5GN□ |
5GN10X |
| 5lK40A-S3/S4 |
5lK40GN-S3/S4 |
40 |
50 60 |
380 400 |
0.2 |
4000 2600 |
3000 2600 |
1300 1550 |
| 5lK60A-S2 |
5lK60GN/GU-S2 |
60 |
50 60 |
200 220 |
0.6 |
6000 5000 |
4500 3800 |
1300 1550 |
5GN□ K 5GU□ K 5GU□ KB |
. 5GN□ |
|
| 5lK60A-S3/S4 |
5lK60GN/GU-S3/S4 |
60 |
50 60 |
380 400 |
0.3 |
6000 5000 |
4500 3800 |
1300 1550 |
| 5lK90A-S2 |
5lK90GU-S2 |
90 |
50 60 |
200 220 |
0.8 |
8500 7000 |
6800 5700 |
1300 1550 |
5GU□ K 5GU□ KB |
|
5GU10XK |
| 5lK90A-S3/S4 |
5lK90GU-S3/S4 |
90 |
50 60 |
380 400 |
0.4 |
8500 7000 |
6800 5700 |
1300 1550 | | |
扭矩表
|
輸出回轉數 |
500 |
300 |
200 |
120 |
100 |
60 |
50 |
30 |
20 |
15 |
10 |
6 |
5 |
3 |
2 |
1.5 |
1 |
|
50Hz減速比 60Hz減速比 |
3 |
5 6 |
7.5 9 |
12.5 15 |
15 18 |
25 30 |
30 36 |
50 60 |
75 90 |
100 120 |
150 180 |
250 300 |
300 360 |
500 600 |
750 900 |
1000 1200 |
1500 1800 |
|
25W |
4 |
6.7 |
10 |
16 |
20 |
32 |
39 |
65 |
80 |
80 |
80 |
80 |
80 |
80 |
80 |
80 |
80 |
|
40W |
6.7 |
11 |
16 |
28 |
33 |
54 |
65 |
100 |
100 |
100 |
100 |
100 |
100 |
100 |
100 |
100 |
100 |
|
60W |
10 |
16 |
24 |
40 |
48 |
77 |
93 |
155 |
200 |
200 |
200 |
200 |
200 |
200 |
200 |
200 |
200 |
|
90W |
14 |
23 |
35 |
58 |
69 |
110 |
133 |
200 |
200 |
200 |
200 |
200 |
200 |
200 |
200 |
200 |
200 | | |
|
|
|
單相IK型感應馬達 |
|
|
|
|
|
|
|
|
|
|
|
|
|
|
|
|
|
|
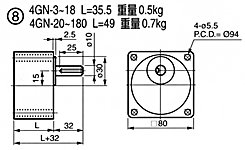
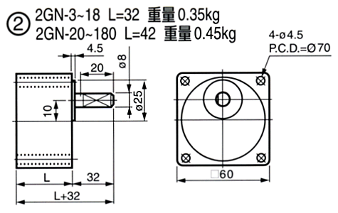
鍵尺寸
| | |
|
|